Mainkan PLC Ladder Simulator di PC dengan NoxPlayer
Detail
PENTING: Sebelum Anda menggunakan aplikasi ini, silahkan lihat video tutorial tentang cara menggunakannya.
- https://youtu.be/I9X7u_z0JCA
Dalam industri PLC adalah perangkat otomatisasi yang paling penting karena perannya sebagai otak dalam menjalankan proses industri. otak ini menggunakan sintaks untuk dapat melakukan tugas-tugas dalam cara yang berurutan tertib.
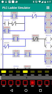
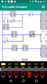
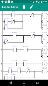
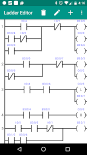
Bahasa asli dari PLC disebut “logika tangga”. tangga logika adalah grafis, dalam hal ini dapat ditata dalam bentuk yang menyerupai tangga dengan rel dan anak tangga. Ladder diagram logika dikembangkan berasal dari diagram relay sirkuit yang digunakan untuk sirkuit elektronik sebelum munculnya PLC.
PLC Ladder Simulator adalah simulator untuk sistem operasi Android dengan objek input dan output yang mensimulasikan port I / O dari PLC nyata. Anda dapat digunakan PLC Ladder Simulator untuk membuat diagram ladder-logika menggunakan komponen dari set standar yang digunakan dalam diagram ini.
PLC Ladder Simulator fitur pilihan unik yang tersedia di dunia dan itu kemungkinan program papan Arduino dengan desain tangga menggunakan ponsel Android. Jadi sebenarnya apa yang dilakukannya adalah yang mengubah Arduino menjadi PLC (Programmable Logic Controller). Aplikasi ini menulis kode ke dalam Arduino dengan menggunakan kabel OTG USB atau modul Bluetooth.
Modus Arduino itu kompatibel dengan Arduino UNO (ATmega328) dan M5Stack ESP32.
Catatan: Aplikasi ini tidak bekerja di tablet, hanya untuk ponsel Android, Anda dapat mencobanya jika Anda ingin.
Tidak bekerja di beberapa Samsung Galaxy Tab 4.
Untuk memastikan kemungkinan bahwa aplikasi bekerja pada perangkat Anda, ikuti contoh di tutorial video.
Video Tutorial (Inggris): https://youtu.be/I9X7u_z0JCA
PLC Ladder Simulator Website: http://plcladdersimulator.weebly.com/
Jika Anda memiliki pertanyaan atau masalah, Anda dapat menghubungi saya di: [email protected]
- https://youtu.be/I9X7u_z0JCA
Dalam industri PLC adalah perangkat otomatisasi yang paling penting karena perannya sebagai otak dalam menjalankan proses industri. otak ini menggunakan sintaks untuk dapat melakukan tugas-tugas dalam cara yang berurutan tertib.
Bahasa asli dari PLC disebut “logika tangga”. tangga logika adalah grafis, dalam hal ini dapat ditata dalam bentuk yang menyerupai tangga dengan rel dan anak tangga. Ladder diagram logika dikembangkan berasal dari diagram relay sirkuit yang digunakan untuk sirkuit elektronik sebelum munculnya PLC.
PLC Ladder Simulator adalah simulator untuk sistem operasi Android dengan objek input dan output yang mensimulasikan port I / O dari PLC nyata. Anda dapat digunakan PLC Ladder Simulator untuk membuat diagram ladder-logika menggunakan komponen dari set standar yang digunakan dalam diagram ini.
PLC Ladder Simulator fitur pilihan unik yang tersedia di dunia dan itu kemungkinan program papan Arduino dengan desain tangga menggunakan ponsel Android. Jadi sebenarnya apa yang dilakukannya adalah yang mengubah Arduino menjadi PLC (Programmable Logic Controller). Aplikasi ini menulis kode ke dalam Arduino dengan menggunakan kabel OTG USB atau modul Bluetooth.
Modus Arduino itu kompatibel dengan Arduino UNO (ATmega328) dan M5Stack ESP32.
Catatan: Aplikasi ini tidak bekerja di tablet, hanya untuk ponsel Android, Anda dapat mencobanya jika Anda ingin.
Tidak bekerja di beberapa Samsung Galaxy Tab 4.
Untuk memastikan kemungkinan bahwa aplikasi bekerja pada perangkat Anda, ikuti contoh di tutorial video.
Video Tutorial (Inggris): https://youtu.be/I9X7u_z0JCA
PLC Ladder Simulator Website: http://plcladdersimulator.weebly.com/
Jika Anda memiliki pertanyaan atau masalah, Anda dapat menghubungi saya di: [email protected]

NoxPlayer Menyediakan Pengalaman Terbaik Bermain Game untuk Anda
Kustomisasi Game AndaKustomisasi pemetaan kunci. Nikmati game dengan layar yang besar, keyboar, mouse dan gamepad lebih smooth
Game MultipleAnda bisa memainkan beberapa game dalam waktu bersamaan dengan Multi-Drive atau mainkan satu game dengan akun berbeda.
Bagaimana memainkan PLC Ladder Simulator di PC menggunakan NoxPlayer?

1Download NoxPlayer di PC Anda.

2Aktifkan paket instalasi dan selesaikan install nya

3Cari PLC Ladder Simulator di NoxPlayer

4Install gamenya di Google Play.

5Klik ikon Game untuk memulai

6Mainkan PLC Ladder Simulator dengan NoxPlayer di PC lebih mudah
Metode kenyamanan
Langkah 1. Klik "Download di PC" untuk download NoxPlayer dan apk
Langkah 2. Jika Anda sudah unduh NoxPlayer di PC, klik "Download APK", kemudian seret dan letakkan file ke emulator untuk menginstal.
Video menakjubkan dari PLC Ladder Simulator
Ingin menjalankan PLC Ladder Simulator dengan pengalaman bermain game yang lebih baik? Dengan keunggulan layar yang lebih besar, keyboard yang lebih cerdas dan stabil, serta kinerja hardware yang lebih unggul, dengan bangga NoxPlayer menciptakan pengalaman bermain game yang ekstrem di PC. Dengan mengunduh dan memainkan PLC Ladder Simulator di PC melalui NoxPlayer, pengguna tidak perlu khawatir dengan kapasitas baterai atau gangguan panggilan lainnya.
NoxPlayer kompatibel dengan Android 7 dan mensupport lebih dari 90% game mobile di PC, yang akan meningkatkan pengalaman bermain game Anda dengan sempurna. Selain itu, dengan membuka banyak layar instance, Noxplayer mendukung untuk menjalankan beberapa game atau aplikasi secara bersamaan, atau mengobrol dengan teman Anda saat bermain game.
NoxPlayer sangat kompatibel dengan AMD dan Intel dengan teknologi virtualisasi inti eksklusif, membuat komputer Anda berjalan lebih stabil dan lancar. Unduh NoxPlayer dan rasakan pengalaman ekstremnya sekarang!
NoxPlayer kompatibel dengan Android 7 dan mensupport lebih dari 90% game mobile di PC, yang akan meningkatkan pengalaman bermain game Anda dengan sempurna. Selain itu, dengan membuka banyak layar instance, Noxplayer mendukung untuk menjalankan beberapa game atau aplikasi secara bersamaan, atau mengobrol dengan teman Anda saat bermain game.
NoxPlayer sangat kompatibel dengan AMD dan Intel dengan teknologi virtualisasi inti eksklusif, membuat komputer Anda berjalan lebih stabil dan lancar. Unduh NoxPlayer dan rasakan pengalaman ekstremnya sekarang!
Game populer
NoxPlayer is designed for Windows and MAC OS, please visit this website via computer browser to download NoxPlayer.

